Your browser doesn't support the features required by impress.js, so you are presented with a simplified version of this presentation.
For the best experience please use the latest Chrome, Safari or Firefox browser.
CIS 115
Lecture 4: Bits and Boolean Algebra
Aristotelian Logic
Boolean Logic
Note: This translation is somewhat flawed, but I'll leave that to a later course in logic or philosophy to describe why.
Boolean Symbols
∧ &&
∨ ||
⊕
¬ !
And
Or
Exclusive Or (XOR)
Not
Truth
Truth
De Morgan's Law
Negation (inverse) of a logic statement
¬ ( A ∧ B ) = ( ¬ A ) ∨ ( ¬ B)
¬ ( A ∨ B ) = ( ¬ A ) ∧ ( ¬ B)
Distribute the negative (¬) then swap ands (∧) and ors (∨)
Boolean Algebra
A Symbolic Analysis of Relay and Switching Circuits
Image Source: MIT
"...possibly the most important, and also the most famous, master's thesis of the century."
- Psychologist Howard Gardner (via Wikipedia)
Logic Gates
AND ![]() |
OR ![]() |
XOR ![]() |
NOT ![]() |
NAND ![]() |
NOR ![]() |
XNOR ![]() |
Note: The little circle at the end of the NOT gate is the only part that matters.
Boolean Values
Boolean |
Binary |
Electrical |
|---|---|---|
TRUE |
1 |
ON |
FALSE |
0 |
OFF |
Note: These values are traditionally used in theory. In many electronic systems and programming languages these values may be reversed for various reasons. Check the manual!
Example 1
A |
B |
C |
OUT |
|---|---|---|---|
0 |
0 |
0 |
0 |
0 |
0 |
1 |
0 |
0 |
1 |
0 |
0 |
0 |
1 |
1 |
1 |
1 |
0 |
0 |
0 |
1 |
0 |
1 |
1 |
1 |
1 |
0 |
0 |
1 |
1 |
1 |
1 |
(A ∧ C) ∨ (B ∧ C)
C ∧ (A ∨ B) works as well
Example 2
A |
B |
C |
OUT |
|---|---|---|---|
0 |
0 |
0 |
0 |
0 |
0 |
1 |
1 |
0 |
1 |
0 |
1 |
0 |
1 |
1 |
1 |
1 |
0 |
0 |
0 |
1 |
0 |
1 |
0 |
1 |
1 |
0 |
0 |
1 |
1 |
1 |
0 |
¬A ∧ ( B ∨ C )
( ¬A ∧ B) ∨ ( ¬A ∧ C) works as well
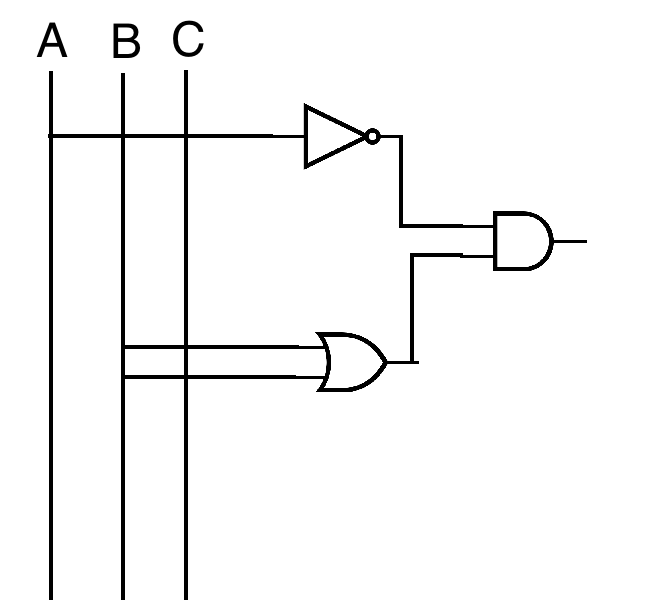
Example 3
A |
B |
C |
OUT |
|---|---|---|---|
0 |
0 |
0 |
0 |
0 |
0 |
1 |
0 |
0 |
1 |
0 |
0 |
0 |
1 |
1 |
1 |
1 |
0 |
0 |
0 |
1 |
0 |
1 |
1 |
1 |
1 |
0 |
0 |
1 |
1 |
1 |
0 |
( A ⊕ B ) ∧ C
(A ∧ C) ⊕ (B ∧ C) works
(A ∧ ¬B ∧ C) ∨ (¬A ∧ B ∧ C) works
Example 4
A |
B |
C |
OUT |
|---|---|---|---|
0 |
0 |
0 |
1 |
0 |
0 |
1 |
1 |
0 |
1 |
0 |
1 |
0 |
1 |
1 |
1 |
1 |
0 |
0 |
1 |
1 |
0 |
1 |
1 |
1 |
1 |
0 |
0 |
1 |
1 |
1 |
1 |
¬ ( A ∧ B ∧ ¬C )
By De Morgan's Law
( ¬A ∨ ¬B ∨ C ) works as well
Next Steps
Image Source: Wikipedia
Assignments
Blog 1: Personal Biography
Tell us a little about yourself. This is your chance to let us know who you are and what interests you. Some questions you can answer to get you started are below, but feel free to be as creative and expressive as possible introducing yourself.
Scratch Bank Project (Part 1)
Due: Sept. 15th, 10:00 PM
Booleans in Scratch
And ![]() |
Or ![]() |
Not ![]() |
Getting Boolean Values
Less Than ![]() |
Greater Than ![]() |
Equals ![]() |
Mouse Down ![]() |
Key Pressed ![]() |
Using Boolean Values
If block ![]() |
If Else block![]() |
Scratch Variables
Variable ![]() |
Set Variable ![]() |
Change Variable ![]() |
Show Variable ![]() |
Hide Variable ![]() |